利達LD6806ET中繼模塊采用特殊防潮技術和插拔式結構設計。主要作用是擴增二總線負載能力,提高消防報警系統的可靠性。 當信號線過長(線路總電阻大于 50Ω)或線路電壓過低時(探測線路電壓低于 14V 或啟動后電壓低于 14V)建議在信號總線 上加裝 LD6806ET 中繼模塊,然后在 LD6806ET 的輸出端可再加負載,此外 LD6806ET 中繼模塊也具備短路保護隔離器的作用。 滿足 GB 16806-2006《消防聯動控制系統》、CNCA-C18-01:2014《強制性產品認證實施規則》、CCCF-HZBJ-01《強制性產品認 證實施細則》,符合認證要求。
功能:
★ 二總線,無極性。
★ DC 24V 供電,有極性。
★ 不占地址點。
★ 實現隔離的信號中繼功能,輸出能力達 1A。
★ 輸出帶短路和過載保護,可自動恢復。
★ 可配接我公司在售的全系列火災報警控制器。
主要技術指標:

外形結構示意圖:

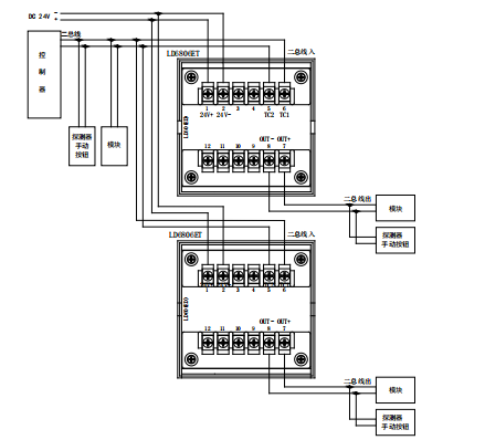
接線示意圖:

安裝步驟:與 LD6801ED-1 相同。
布線要求:
★ 二總線:宜選用截面積≥1.5mm2 的耐火雙色雙絞銅芯線或選用截面積≥1.5mm2 的耐火銅芯電纜,耐壓≥250V,線路 末端總線電壓低于 14V 時需增大導線截面積,或加裝總線中繼器(不宜采用平行線)。
★ DC24V 電源總線:宜選用截面積≥1.5mm2 的耐火 BV 銅芯電線線纜,電源線總壓降≤3V,否則應考慮增大導線截面積。
★ 穿管要求:應單獨穿入金屬管、經阻燃處理的硬質塑料管或封閉式線槽中,金屬管和金屬線槽應可靠接地,并應在 金屬管或金屬線槽上采取防火保護措施。嚴禁與其他系統傳輸線路穿入同一管中。在雷擊危險性比較大的場合應采 用穿金屬管或密閉的金屬線槽。



蘇公網安備32058102002170號
客服1