介紹:
利達JB-QB-LD988EM火災報警控制器/消防聯動控制器(以下簡稱 LD988EM) 是智能化的兩線制火災自動報警設備,采用中文液 晶顯示,集小點位火災報警及聯動控制于一體。具有一個 CAN 總線接口,通過選配我公司生產的 LD6900 系列通訊轉換卡,可 與 CRT、樓宇自動化設備及遠程消防管理系統相連。主要針對中、小型消防工程項目設計,廣泛應用于賓館、公寓、商場、 餐飲娛樂場所、銀行對外營業部、電信支局、移動基站、別墅和工廠等。滿足 GB16806-2006《消防聯動控制系統》、GB4717-2005 《火災報警控制器》、CNCA-C18-01:2014《強制性產品認證實施規則》、CCCF-HZBJ-01《強制性產品認證實施細則》。
功能:
★ 區域型控制器,本機容量:1 回路、更大 容量 200 點、6 路聯動輸出。
★ 全中文 128×64 液晶顯示屏顯示主要信息與內容,指示燈指示關鍵狀態。
★ 配備打印機,打印各種信息。
★ 1 路公共火警無源節點輸出、1 路公共故障無源節點輸出、1 路聲光報警器輸出。
★ 配備 USB 接口,可連接 U 盤進行數據設置、數據備份及數據寫入。
★ 具有 CAN 接口可連接集中機,和集中機進行通信。
★ 具有黑匣子功能,存儲火警記錄 1000 條,故障記錄 1000 條,氣體滅火記錄 500 條,其他記錄 1000 條。
★ 總線設備混合編址。
★ 具有監管報警功能。
★ 具有回路保護、電源短路保護功能。
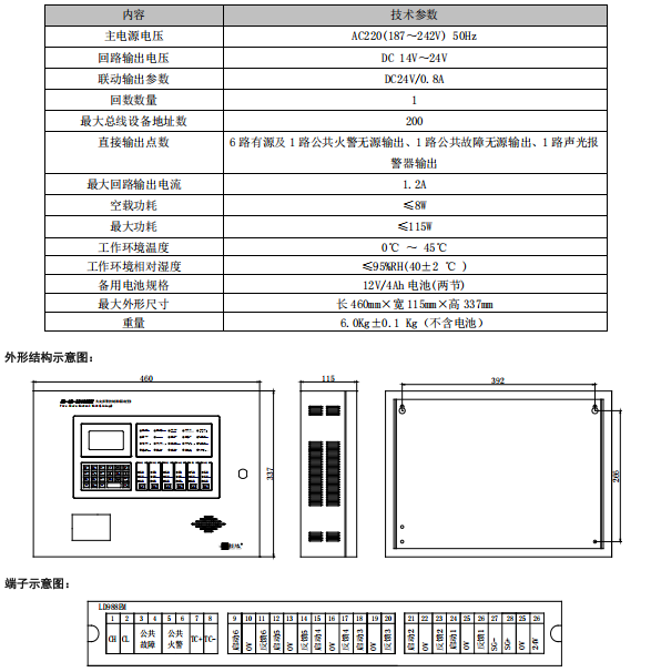
主要技術指標:

系統框圖:與 JB-QG-LD128E2-T 相同。
布線要求:與 JB-QG-LD128E2-T 相同。



蘇公網安備32058102002170號
客服1