利達JTY-GM-LD3000EN/C 點型光電感煙火災探測器(防爆型)接線安裝技術
介紹:
利達JTY-GM-LD3000EN/C 點型光電感煙火災探測器(防爆型)內置單片機,具有現場參數采集的能力,并能實時處理,同時向控制器傳遞正常火警信 號,并可向控制器上報現場煙濃度的數據。指示燈指示探測器工作狀態,探測器正常監測時,指示燈為間隔約 10 秒閃爍指示,發現火情后,指示燈為常 亮,直到接收到控制器的復位信號為止。每個 LD3000EN/C 占用控制器一個地址點,采用電子編碼方式編碼,操作方便;抗干擾能力強,可靠性高;結構 設計無污染,抗潮濕;本探測器防爆類型為本質安全型,防爆標志為 Ex ib IIC T6 Gb,適用于石油、化工等行業具有防爆要求的 1 區及 2 區使用。本探測 器通過防爆接口模塊與我公司生產的全系列火災報警控制器配合使用。經過石油和化學工業電氣產品防爆質量監督檢驗中心、應急管理部消防產品合格評 定中心及 消防電子產品質量檢驗檢測中心依照 GB/T 3836.1-2021《爆炸性環境 第 1 部分:設備 通用要求》、GB/T 3836.4-2021《爆炸性環境 第 4 部分:由本質安全型?i?保護的設備》、 GB4715-2005《點型感煙火災探測器》、企業標準 Q/DXLDG0015-2022 《點型光電感煙火災探測器(防爆型)》、 CNCA-C18-01《強制性產品認證實施規則》、CCCF-CCC-01《強制性產品認證實施細則》檢驗和審核,取得防爆合格證及消防產品 3C 認證證書。
功能:
★ 二總線、無極性。
★ 采用專用嵌入式 MCU 技術的第二代分布智能型產品。
★ 采用電子編碼方式,占一個地址點。
★ 模擬量感煙探測器,可上傳給控制器現場煙濃度數據。
★ 具有黑煙報警功能。
★ 具有防爆功能,須配接 LD4800G-A 中繼模塊。
主要技術指標:

探測器外形結構示意圖:與 LD3000EN/C 相同。
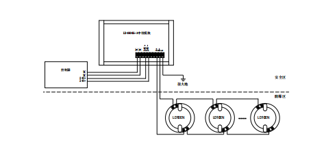
接線示意圖:

安裝方式及安裝步驟:與 LD3000EN/C 相同。



蘇公網安備32058102002170號
客服1